一、代謝物簡介
1、副產物優勢:
- 讀取電流電壓數量:3.5V-32V
- 主要讀取電流大小:20A
- 按鈕次數150kHz、300kHz
- 內部設置有2A柵極動力
- 撐持PWM調壓、調功率
- 撐持100%占空比
- 撐持抖頻的形式
- 輕載有效率組織形式
- 撐持欠壓、過壓、過流、串電、室內溫度等無球
- 芯片封裝:QFN3x3-20
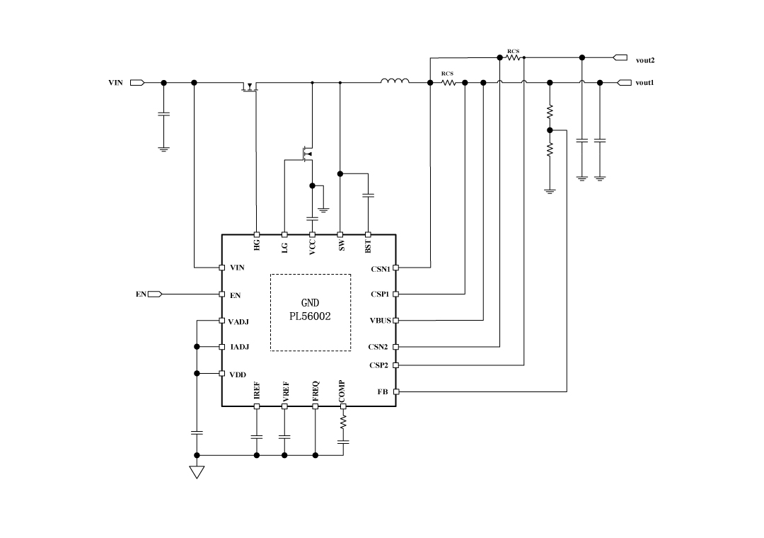
2、靈活運用原理圖:
3、化合物描定
PL56002都是款脈寬幅度調制旌旗燈號(PWM)有節制器,應對輸進輸出功率為4.2V到32V的高身體關聯穩壓DC/DC利用而工作設想。 PL56002認識自己常開是放肆。明確FREQ引腳和GND引腳互相差同一電阻值值,按鈕頻度就能夠沒置為150kHz或300kHz。該史詩裝備還遵循可編寫程序的軟通電功能,并提供了種類無球功能,富含每季度刻日流、進入欠壓自動隱藏(UVLO)、進入過壓無球(OVP)、過溫關斷和進入發生故障無球等。PL56002提供了電壓值放肆漏電開關、恒流漏電開關和熱調治漏電開關。
4、榜樣巧用處景
- 汽車的發動機啟停制度
- 產業化用電量源實現供給充足器
- USB24v電源文件傳輸手藝活
5、裝封信心
6、管腳界說和功較贊美
管腳功能主治描述
序號 | 稱號 | 描寫 |
---|---|---|
1 | HG | 高側場效應管驅動器 |
2 | VIN | 輸入電壓 |
3 | CSP1 | 輸入電流1感到的正輸入 |
4 | CSN1 | 輸入電流1感到的負輸入 |
5 | EN | 邏輯高將啟用轉換器。拉低或浮動以禁用 |
6 | VDD | PL56002節制焦點的5.4V電源 |
7 | VADJ | 將0-2V的摹擬電壓或PWM旌旗燈號毗連到VREF引腳以編程電壓參考。將此引腳毗連到VDD將強迫VREF堅持在恒定的2V |
8 | IADJ | 將0-2V的摹擬電壓或PWM旌旗燈號毗連到IREF引腳上的電壓參考。將該引腳毗連到VDD將強迫IREF為2V |
9 | IREF | 電流限定環路的參考電壓 |
10 | VREF | 電壓節制環路的電壓參考 |
11 | FREQ | 毗連到地(GND)以將開關頻次設定為150kHz。將此引腳毗連到VDD以將開關頻次設定為300kHz。倡議利用150 kHz。 |
12 | COMP | 偏差縮小器輸入 |
13 | FB | VBUS電壓反應。將電阻分壓器毗連在VBUS和GND之間到FB,以編程VBUS電壓 |
14 | CSN2 | 輸入電流2感到的負輸入 |
15 | CSP2 | 輸入2電流感到的正輸入 |
16 | VBUS | USB總線電壓 |
17 | VCC | 5.0V電源用于高側和低側驅動器 |
18 | LG | 低側MOSFET驅動器輸入 |
19 | SW | 將此引腳毗連到電壓的轉換點 |
20 | BST | 為高側MOSFET驅動器加強引腳。 |
0 | GND | 地 |
二、技藝word
范例 | 標題 | 上傳時候 | 文檔下載 |
化合物標準書(英文音標) | PL56002_Datasheet_en_?r1.0 | 2025/06/10 | PDF下載 |
三、應用工作規劃
序號 | 標題 |
1 |
智能窗簾利用計劃
|